西安新茶嫩茶wx
首 ? 頁
公司簡介
公司靜態
產物展現
企業文明
接洽咱們
梅花聯軸器,鼓形齒式聯軸器,彈性柱銷聯軸器,聯軸器出產廠家_泊頭市良晟機器制作無限公司
?
產物分類PRODUCT CATEGORY
彈性套柱銷聯軸器
彈性柱銷聯軸器
西安新茶嫩茶wx:彈性柱銷齒式聯軸器
鼓形齒式聯軸器
梅花聯軸器
夾殼聯軸器
帶制動輪聯軸器
滾子鏈聯軸器
尼龍齒式聯軸器
H型彈性塊聯軸器
蛇形彈簧聯軸器
膜片聯軸器
輪胎聯軸器
剛性凸緣聯軸器
十字滑塊聯軸器
星形彈性聯軸器
萬向聯軸器
聯軸器配件
新靜態NEWS INFORMATION
彈性柱銷齒式聯軸器有如何的剛度請求?
西安新茶嫩茶wx:如何耽誤鼓型齒式聯軸器的利用壽命?
膜片聯軸器在伺服體系中如何利用?
西安新茶嫩茶wx:膜片聯軸器合適在甚么情況下任務?
膜片聯軸器與彈性套柱銷聯軸器比擬有哪些長處?
時候地方:
前往首頁
>
產物展現
>
星形彈性聯軸器
>
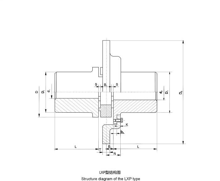
LXP帶制動盤星形彈性聯軸器
LXP帶制動輪星形彈性聯軸器是接納非金屬彈性元件連接的彈性聯軸器,該星形彈性聯軸器首要用于連接兩同軸線活動的軸系,具備 的緩沖和減振的....
當即訂購
相干保舉:
LX(XL)系列星形彈性聯軸器
泵用三爪聯軸器
LXS(XLS)雙法蘭星形聯軸器
產物概況
LXP帶行車剎車器輪星形回彈力膜片軸承是采納非材料回彈力器件聯系的回彈力膜片軸承,該星形回彈力膜片軸承首先要廣泛用于聯系兩同水平線活動組織的軸系,應具 的減慢和減振的副作用,合廣泛用于多種應具行車剎車器明確提出的裝備的保護裝置。
冀公網IP安備 13098102001155號